
| 모델명 | VUP |
|---|---|
| 타입 | 2-way Plug Control |
| 적용 유체 | 액체, 기체 |
| 설계 온도 | -5 ~ 200℃, Option -196 ~ 400℃ |
| 설계 압력 | Max. 120bar |
| 사이즈 | 15~100mm (½" ~ 4") |
| 플랜지 | JIS, ANSI, DIN, ISO |
| 재질 |
- 덕타일 주철, 주강, 주조 청동, 스테인리스 강 - 요청에 따른 특이사양 |
| 유량 특성 | 선형, EQ%, 빠른 개방, 저소음 |
| 구동기 | 공압 다이어프램, 전동식 구동기 |




좌우로 스크롤하시면 내용이 보입니다.
| Size mm(inch) | L | ¢D | H | Weight (kg) | Rated Cv | |||
|---|---|---|---|---|---|---|---|---|
| 150# | 300# | 600# | Without Handle | With Handle | ||||
| 25 (1") | 184 | 197 | 210 | 220 | 393 | 544 | 20 | 14 |
| 32 (1 1/4") | 222 | 235 | 251 | 250 | 475 | 691 | 46 | 28 |
| 40 (1 1/2") | 222 | 235 | 251 | 250 | 475 | 691 | 48 | 40 |
| 50 (1 2") | 254 | 267 | 286 | 290 | 490 | 740 | 55 | 50 |
| 65 (2 1/2") | 276 | 292 | 311 | 370 | 633 | 894 | 82 | 90 |

좌우로 스크롤하시면 내용이 보입니다.
| 모델명 | VBC |
|---|---|
| 타입 | 2-way Cage Control (Balanced Type) |
| 적용 유체 | 액체, 기체 |
| 설계 온도 | -5 ~ 200℃, Option -196 ~ 400℃ |
| 설계 압력 | Max. 120bar |
| 사이즈 | 50 ~ 400mm (2" ~ 16") |
| 플랜지 | JIS, ANSI, DIN, ISO |
| 재질 |
- 덕타일 주철, 주강, 주조 청동, 스테인리스 강 - 요청에 따른 특이사양 |
| 유량 특성 | 선형, EQ%, 빠른 개방, 저소음 |
| 구동기 | 공압 다이어프램, 전동식 구동기 |




좌우로 스크롤하시면 내용이 보입니다.
| Size mm(inch) | L | ¢D | H | Weight (kg) | Rated Cv | |||
|---|---|---|---|---|---|---|---|---|
| 150# | 300# | 600# | Without Handle | With Handle | ||||
| 80 (3") | 298 | 318 | 337 | 370 | 645 | 906 | 111 | 130 |
| 100 (4") | 352 | 368 | 394 | 370 | 662 | 923 | 124 | 240 |
| 125 (5") | 403 | 425 | 457 | 480 | 805 | 1076 | 164 | 280 |
| 150 (6") | 451 | 473 | 508 | 480 | 805 | 1076 | 201 | 340 |
| 200 (8") | 543 | 568 | 610 | 550 | 955 | 1268 | 285 | 660 |
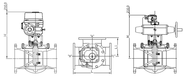
| 모델명 | VTR |
|---|---|
| 타입 | 3-way Rotary Plug Type |
| 적용 유체 | 액체 |
| 설계 온도 | 0 ~ 120℃ |
| 설계 압력 | Max. 10bar |
| 사이즈 | 80 ~ 600mm (4"~24" |
| 플랜지 | JIS, ANSI, DIN, ISO |
| 재질 |
- 덕타일 주철, 주강, 주조 청동, 스테인리스 강 - 요청에 따른 특이사양 |
| 유량 특성 | 선형 |
| 구동기 | 공압 다이어프램, 전동식 구동기 |

좌우로 스크롤하시면 내용이 보입니다.
| Size mm(inch) | L | LI | H | Weight (kg) | Rated Cv | ||
|---|---|---|---|---|---|---|---|
| Motor | Pneumatic | Motor | Pneumatic | ||||
| 80 (3") | 280 | 140 | 470 | 430 | 65 | 63 | 280 |
| 100 (4") | 300 | 150 | 480 | 482 | 71 | 69 | 365 |
| 125 (5") | 300 | 150 | 480 | 482 | 75 | 74 | 547 |
| 150 (6") | 370 | 185 | 490 | 490 | 102 | 100 | 848 |
| 200 (8") | 450 | 225 | 520 | 650 | 128 | 125 | 1510 |
| 250 (10") | 520 | 260 | 550 | 675 | 204 | 199 | 2355 |
| 300 (12") | 600 | 300 | 560 | 725 | 272 | 263 | 3398 |
| 350 (14") | 680 | 340 | 600 | 750 | 328 | 339 | 4622 |
| 400 (16") | 770 | 385 | 700 | 775 | 469 | 476 | 5987 |
| 450 (18") | 960 | 480 | 750 | 775 | 611 | 619 | 7663 |
| 500 (20") | 1024 | 512 | 800 | 850 | 758 | 771 | 9732 |
| 모델명 | VOG2 / VOG3 |
|---|---|
| 타입 | 2-way or 3-way Globe Type |
| 적용 유체 | 액체, 기체 |
| 설계 온도 | 0 ~ 100℃ / 0 ~ 200℃ |
| 설계 압력 | Max. 16bar |
| 사이즈 | 15 ~ 125mm (1" ~ 5") |
| 플랜지 | JIS, ANSI, DIN |
| 누설등급 |
- 표준 Seal로써 ANSI 등급 IV(측정된 C/V의 0.01%) - Soft Seal로써 ANSI 등급 V(Bubble Tight) |
| 재질 | 덕타일 주철, 주강, 주조 청동, 스테인리스 강 |
| 유량 특성 | On/Off |
| 소재 - 밸브본체 | 연성철, 주강, 스테인리스강 |
| 구동기 | 공압 실린더형 |
좌우로 스크롤하시면 내용이 보입니다.
| Size mm(in) | H | G | L | Weight (kg) | Rated Cv | ||
|---|---|---|---|---|---|---|---|
| 2-way | 3-way | 2-way | 3-way | ||||
| 15 (1/2") | 330 | 70 | 120 | 135 | 136 | 26 | 4 |
| 20 (3/4”) | 330 | 70 | 120 | 140 | 140 | 20 | 9 |
| 25 (1”) | 330 | 91 | 130 | 140 | 150 | 26 | 16 |
| 32 (1 1/4”) | 380 | 115 | 155 | 170 | 190 | 20 | 24 |
| 40 (1 1/2”) | 380 | 115 | 155 | 170 | 190 | 43 | 37 |
| 50 (2”) | 430 | - | 170 | - | 200 | 52 | 65 |
| 65 (2 1/2”) | 455 | - | 200 | - | 230 | 70 | 97 |
| 80 (3”) | 470 | - | 220 | - | 260 | 80 | 140 |
| 100 (4”) | 600 | - | 240 | - | 300 | 120 | 224 |
| 125 (5”) | 620 | - | 270 | - | 370 | 160 | 455 |
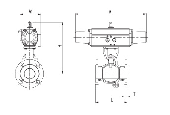
| 모델명 | VOB |
|---|---|
| 타입 | 2-way Ball Type |
| 적용 유체 | Water, Oil, Steam, Gas, Liquid |
| 설계 온도 | -10 ~ 150 ℃ |
| 설계 압력 | 4 ~ 7bar |
| 사이즈 | 15 ~ 300mm (½" ~ 12") |
| 플랜지 | JIS, ANSI, DIN, ISO |
| 등급, 규격 | ANSI 150(300#, 600#) |
| 재질 | A216WCB, A351 CF8, 8M |
| 구동기 | 공압 구동기(Single/Double) |
좌우로 스크롤하시면 내용이 보입니다.
| Model | Size | A | A1 | H (Approx) | L | |
|---|---|---|---|---|---|---|
| mm | inch | |||||
| VOBD50-15F | 15A | 1/2" | 162 | 75 | 188 | 108 |
| VOBD50-20F | 20A | 3/4" | 162 | 75 | 191 | 117 |
| VOBD50-25F | 25A | 1" | 162 | 75 | 200 | 127 |
| VOBD65-32F | 32A | 1-1/4" | 202 | 89 | 220 | 140 |
| VOBD65-40F | 40A | 1-1/2" | 202 | 89 | 242 | 165 |
| VOBD65-50F | 50A | 2" | 202 | 89 | 249 | 178 |
| VOBD80-65F | 65A | 2-1/2" | 262 | 101 | 279 | 190 |
| VOBD80-80F | 80A | 3" | 262 | 101 | 319 | 203 |
| VOBD100-100F | 100A | 4" | 311 | 129 | 357 | 229 |
| VOBD125-125F | 125A | 5" | 390 | 151 | 415 | 356 |
| VOBD140-150F | 150A | 6" | 431 | 164 | 480 | 394 |
| VOBD160-200F | 200A | 8" | 506 | 189 | 589 | 457 |
| VOBD200-250F | 250A | 10" | 605 | 231 | 720 | 533 |
좌우로 스크롤하시면 내용이 보입니다.
| Model | Size | A | A1 | H (Approx) | L | |
|---|---|---|---|---|---|---|
| mm | inch | |||||
| VOBS50-15F | 15A | 1/2" | 257 | 75 | 188 | 108 |
| VOBS50-20F | 20A | 3/4" | 257 | 75 | 191 | 117 |
| VOBS65-25F | 25A | 1" | 314 | 89 | 217 | 127 |
| VOBS65-32F | 32A | 1-1/4" | 314 | 89 | 220 | 140 |
| VOBS65-40F | 40A | 1-1/2" | 314 | 89 | 242 | 165 |
| VOBS80-50F | 50A | 2" | 430 | 101 | 268 | 178 |
| VOBS80-65F | 65A | 2-1/2" | 430 | 101 | 279 | 190 |
| VOBS100-80F | 80A | 3" | 500 | 129 | 341 | 203 |
| VOBS125-100F | 100A | 4" | 606 | 151 | 383 | 229 |
| VOBS140-125F | 125A | 5" | 682 | 164 | 433 | 356 |
| VOBS160-150F | 150A | 6" | 781 | 189 | 504 | 394 |
| VOBS200-200F | 200A | 8" | 982 | 231 | 657 | 457 |
| 모델명 | VPLC |
|---|---|
| 공칭 압력 | JIS 20K, Max 20 bar up to 250℃ |
| 적용 온도 | 1 to 200℃ |
| 주위 온도 | 1 to 70℃ |
| 액체 밀도 | Min. 0.7 kg/dm3 |
| 공칭제어범위 | 30mm (-15 ~ +15 mm) |
| 제어압력 | 1.4 bar / 2.4 bar |
| 출력신호 | 0.2 ~ 1.0 bar / 0.4 ~ 2.0 bar |
| 선형성 | ±5% (of full scale output) |
| 공기유량 | 0.5 ~ 6.0 Nl/min (can be increased by using external booster valve) |
| 공기 소모량 | Max. 0.4 Nm3/h |
| C | MAX. LEVEL RANGE | C1 (MID. RANGE) | W.T (kg) |
|---|---|---|---|
| 270 | 250 | 135 | 20 |
| 320 | 300 | 160 | 22 |
| 620 | 600 | 310 | 27 |
엔진 연료 변경에 있어 연료별 점도 및 사용온도가 틀림에 따라 설정된 시간 혹은 온도에 맞추어 점차적으로 밸브의 위치를 조절하는 제어기
| 모델명 | VEOC-1 | VEOC-2 | VEOC-3 |
|---|---|---|---|
| 특성 | Mechanical | Electronic | |
| 전원 | 110/220VAC, 50/60Hz | ||
| 설정 난이도 | Hard | Easy | Easy |
| 시간 제어 | Yes | Yes | Yes |
| 온도 제어 | - | - | Yes |
| 제어 방법 | On/Off | Proportional | |
| 정확도 | 90% | 99% | 99% |
| 보조장비 | 3-way globe valve with actuator | ||
| Air Regulator (for Pneumatic Actuator) | |||
| Limit | I/P Positioner Included L/S | ||
| Temp. Sensor | |||