| 모델명 | VSD |
|---|---|
| 기종 | 공기, 차단, 댐퍼 |
| 적용 유체 | 기체 |
| 적용 온도 | 0 ~ 500℃ |
| 설계 압력 | 0.1 bar |
| 댐퍼 규격 | JIS 1K |
| 댐퍼 크기 | 200 ~ 3000mm |
| 재질 | 스테인리스강, 주강 |
| 누설량 |
|
| 구동기 |
|
| 실링에어밸브 링크 | 외부 연결 장치가 없어서 안전함 (옵션) |
|---|---|
| 이물질 제거 노즐 | 이물질을 제거하기 위한 고압 공기 분사 장치 |
| 실링에어밸브 | 고온 사용을 위한 금속기밀·버터플라이밸브를 사용 |
| 이중구조 블레이드 | 이중구조 블레이드로 에어커튼 생성 |
| 리프실 | 고온, 황산부식 환경에 대비해 하스텔로이 사용 |
| 검사 구멍 | 산업용내시경으로 내부검사를 하기 위해 사용 |
| 댐퍼 몸통 | 스테인레스강 사용 |


좌우로 스크롤하시면 내용이 보입니다.
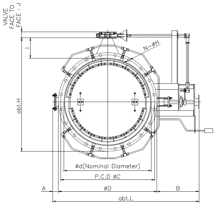
| No | Size | ¢D | ¢C | L | A | B max. | H | E max. | bh1 | bh2 | F | I | N | ¢H | Air Nozzle | SAV |
|---|---|---|---|---|---|---|---|---|---|---|---|---|---|---|---|---|
| 1 | 2500A | 2650 | 2595 | 3270 | 40 | 580 | 2837 | 1048 | 528 | 528 | 350 | 256 | 48 | 27 | 24 | 5K-200A |
| 2 | 2600A | 2750 | 2695 | 3370 | 40 | 580 | 2937 | 1156 | 578 | 578 | 350 | 256 | 48 | 27 | 28 | 5K-200A |
| 3 | 2700A | 2850 | 2795 | 3470 | 40 | 580 | 3037 | 1256 | 628 | 628 | 350 | 256 | 48 | 27 | 28 | 5K-200A |
| 4 | 2800A | 2950 | 2895 | 3570 | 40 | 580 | 3137 | 1356 | 678 | 678 | 350 | 256 | 52 | 27 | 28 | 5K-200A |
| 5 | 2900A | 3050 | 2995 | 3670 | 40 | 580 | 3237 | 1456 | 728 | 728 | 350 | 256 | 52 | 27 | 28 | 5K-200A |
| 6 | 3000A | 3150 | 3095 | 3770 | 40 | 580 | 3337 | 1556 | 778 | 778 | 350 | 256 | 52 | 27 | 28 | 5K-200A |
좌우로 스크롤하시면 내용이 보입니다.
| No. | Size | ∅D | ∅C | L | A | B max. | H | E max. | F | I | N | ∅H | Air Nozzle | SAV |
|---|---|---|---|---|---|---|---|---|---|---|---|---|---|---|
| 1 | 200A | 320 | 280 | 640 | 50 | 270 | 418 | 180 | 260 | 149 | 8 | 23 | 6 | 5K-50A |
| 2 | 250A | 385 | 345 | 700 | 45 | 270 | 447 | 230 | 260 | 149 | 12 | 23 | 6 | 5K-50A |
| 3 | 300A | 430 | 390 | 745 | 45 | 270 | 525 | 280 | 260 | 149 | 12 | 23 | 6 | 5K-50A |
| 4 | 350A | 480 | 435 | 800 | 40 | 280 | 569 | 330 | 260 | 149 | 12 | 25 | 6 | 5K-50A |
| 5 | 400A | 540 | 495 | 880 | 40 | 300 | 624 | 370 | 260 | 149 | 16 | 25 | 6 | 5K-50A |
| 6 | 450A | 605 | 555 | 945 | 40 | 300 | 685 | 420 | 260 | 149 | 16 | 25 | 6 | 5K-50A |
| 7 | 500A | 655 | 605 | 985 | 30 | 300 | 730 | 470 | 260 | 147 | 16 | 25 | 6 | 5K-80A |
| 8 | 550A | 660 | 620 | 1035 | 55 | 320 | 758 | 520 | 260 | 147 | 16 | 23 | 8 | 5K-80A |
| 9 | 600A | 710 | 670 | 1085 | 55 | 320 | 809 | 570 | 260 | 147 | 16 | 23 | 8 | 5K-80A |
| 10 | 650A | 760 | 720 | 1205 | 55 | 390 | 889 | 620 | 260 | 177 | 16 | 23 | 8 | 5K-80A |
| 11 | 700A | 815 | 775 | 1255 | 50 | 390 | 942 | 670 | 260 | 177 | 16 | 23 | 8 | 5K-80A |
| 12 | 750A | 865 | 825 | 1305 | 50 | 390 | 993 | 720 | 300 | 177 | 20 | 23 | 8 | 5K-80A |
| 13 | 800A | 915 | 875 | 1395 | 50 | 430 | 1043 | 770 | 300 | 177 | 20 | 23 | 8 | 5K-80A |
| 14 | 850A | 965 | 925 | 1445 | 50 | 430 | 1094 | 820 | 300 | 177 | 20 | 23 | 8 | 5K-80A |
| 15 | 900A | 1025 | 980 | 1505 | 50 | 430 | 1149 | 870 | 300 | 177 | 20 | 25 | 8 | 5K-80A |
| 16 | 950A | 1075 | 1030 | 1555 | 50 | 430 | 1198 | 920 | 300 | 177 | 20 | 25 | 8 | 5K-80A |
| 17 | 1000A | 1125 | 1080 | 1605 | 50 | 430 | 1250 | 970 | 300 | 177 | 20 | 25 | 8 | 5K-80A |
| 18 | 1050A | 1175 | 1130 | 1695 | 50 | 470 | 1318 | 1020 | 300 | 197 | 24 | 25 | 12 | 5K-100A |
| 19 | 1100A | 1225 | 1180 | 1745 | 50 | 470 | 1371 | 1070 | 300 | 197 | 24 | 25 | 12 | 5K-100A |
| 20 | 1150A | 1275 | 1230 | 1795 | 50 | 470 | 1418 | 1120 | 300 | 197 | 24 | 25 | 12 | 5K-100A |
| 21 | 1200A | 1325 | 1280 | 1845 | 50 | 470 | 1472 | 1170 | 300 | 197 | 24 | 25 | 12 | 5K-100A |
| 22 | 1250A | 1375 | 1330 | 1925 | 50 | 500 | 1518 | 1220 | 300 | 197 | 28 | 25 | 12 | 5K-100A |
| 23 | 1300A | 1425 | 1380 | 1975 | 50 | 500 | 1568 | 1270 | 300 | 197 | 28 | 25 | 12 | 5K-100A |
| 24 | 1350A | 1475 | 1430 | 2025 | 50 | 500 | 1623 | 1320 | 300 | 197 | 28 | 25 | 12 | 5K-100A |
| 25 | 1400A | 1525 | 1480 | 2075 | 50 | 500 | 1668 | 1370 | 300 | 197 | 28 | 25 | 12 | 5K-100A |
| 26 | 1450A | 1595 | 1540 | 2200 | 55 | 550 | 1728 | 1420 | 300 | 197 | 28 | 27 | 12 | 5K-100A |
| 27 | 1500A | 1645 | 1590 | 2255 | 60 | 550 | 1784 | 1470 | 300 | 197 | 28 | 27 | 12 | 5K-100A |
| 28 | 1600A | 1745 | 1690 | 2350 | 55 | 550 | 1878 | 1570 | 300 | 197 | 28 | 27 | 16 | 5K-100A |
| 29 | 1700A | 1845 | 1790 | 2450 | 55 | 550 | 1978 | 1670 | 300 | 197 | 28 | 27 | 16 | 5K-100A |
| 30 | 1800A | 1950 | 1895 | 2555 | 55 | 550 | 2111 | 1770 | 350 | 227 | 32 | 27 | 16 | 5K-150A |
| 31 | 1900A | 2050 | 1995 | 2670 | 50 | 570 | 2211 | 1870 | 350 | 227 | 32 | 27 | 16 | 5K-150A |
| 32 | 2000A | 2150 | 2095 | 2770 | 50 | 570 | 2311 | 1970 | 350 | 227 | 36 | 27 | 16 | 5K-150A |
| 33 | 2100A | 2250 | 2195 | 3000 | 50 | 700 | 2413 | 2050 | 350 | 227 | 36 | 27 | 20 | 5K-150A |
| 34 | 2200A | 2350 | 2295 | 3100 | 50 | 700 | 2513 | 2150 | 350 | 227 | 40 | 27 | 20 | 5K-150A |
| 35 | 2300A | 2450 | 2395 | 3200 | 50 | 700 | 2613 | 2250 | 350 | 227 | 40 | 27 | 20 | 5K-150A |
| 36 | 2400A | 2550 | 2495 | 3300 | 50 | 700 | 2713 | 2350 | 350 | 227 | 40 | 27 | 20 | 5K-150A |





| 모델명 | VSD3 |
|---|---|
| 타입 | 3-way 공기 차단 댐퍼 |
| 적용 유체 | 기체 |
| 적용 온도 | 0 ~ 500℃ |
| 설계압력 | 0.1 bar |
| 댐퍼 크기 | 200 ~ 2000mm |
| 재질 | 스테인리스강, 탄소강 |
| 누설량 |
|
| 구동기 |
|